Výskum a vývoj stavebných konštrukcií s integrovanými energeticko-aktivnými prvkami
Přehrát audio verzi
Výskum a vývoj stavebných konštrukcií s integrovanými energeticko-aktivnými prvkami
00:00
00:00
1x
- 0.25x
- 0.5x
- 0.75x
- 1x
- 1.25x
- 1.5x
- 2x
Príspevok demonštruje variantné riešenia stavebných konštrukcií s integrovanými energeticko-aktívnymi prvkami s využitím OZE a naše výsledky viac ako 20-ročného aplikovaného výskumu, vývoja, projektovania a realizácie v tejto oblasti. Naša stratégia optimalizácie energetických procesov je založená na analýze, počítačových simuláciách, experimentálnych meraniach a hodnotení prevádzky kombinovaných stavebno-energetických systémov. Zavedením energeticky účinnejších systémov a optimálnym využívaním zdrojov energie vrátane zmiernenia zmeny klímy a zníženia ďalšieho znečistenia sa zabezpečí zníženie koncentrácie skleníkových plynov, najmä CO2, čo môže pomôcť minimalizovať nárast vonkajšej teploty a prispieť tak k dosiahnutiu cieľov OSN v oblasti trvalo udržateľného rozvoja č. 7 „cenovo dostupná a čistá energia“ a č. 13 „opatrenia v oblasti klímy“.
1. Úvod
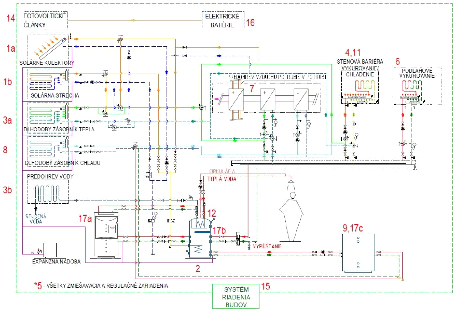
Stavebné konštrukcie s integrovanými energeticko-aktívnymi prvkami vo všeobecnosti nazývame kombinované stavebno-energetické systémy (CEBS - combined building-energy systems), ktoré majú energetickú funkciu zdroja tepla, koncových prvkov alebo sú kombinované, [2–9], obr. 1.
2. Ciele výskumu a inovácie
Ciele nášho výskumu a inovácie sú zamerané na využitie silných stránok CBES a odstránenie zistených nedostatkov, [2–9]. Výskumné aktivity zameriavame na 3 oblasti:
- návrh a verifikácia nových, spoľahlivých, energeticky sebestačných a environmentálne bezpečných variantov prevádzky CBES so zdrojmi tepla na báze OZE a využitia odpadového tepla, obr. 2,
- výskum obalových plášťov budov s aktívnou tepelnou ochranou (ATO) a vývoj tepelnoizolačných panelov s integrovanými energeticky-aktívnymi prvkami, obr. 3(a),
- výskum a vývoj inteligentných kompaktných zariadení (IKZ) využívajúcich OZE a odpadové teplo v súčinnosti s ATO, obr. 3(b).
3. Chronológia a kontinuita výskumu
Miesto a obdobie výskumu experimentálnych objektov:
- Prototyp panelového domu IDA I., Paneláreň Vrakuňa, 2005 až 2007 [6].
- Experimentálny rodinný dom EB2020, Tomášov, 2008 až 2014, [4 , 5, 7 až 9].
- Mobilné laboratórium – optimalizátor a simulátor IKZ, Zochova chata, 2015–2021 [5].
- Výskumná budova, Centrálne laboratória Stavebnej fakulty STU v Bratislave – Trnávke, spustené experimentálne merania v decembri 2024 [5 až7].
- Tepelnoizolačné panely a spôsob prevádzky, výskum a vývoj od roku 2004 [3, 7, 9].
3.1 Prototyp panelového domu IDA I.
Požiadavkou objednávateľa aplikovaného výskumu a vývoja, vlastníka licencie na systém ISOMAX, bolo odstrániť nedostatky tohto systému a pripraviť prototyp panelového domu pre sériovú výrobu v panelárni (ÚŽITKOVÝ VZOR č. 5729) [6]. Najdôležitejšie výsledky:
- inovovaný spôsob prevádzky CBES s využitím špičkového zdroja tepla (OZE) a odpadového tepla na reálnej budove,
- inovatívna stena s tepelnou bariérou (TB) a akumuláciou tepla/chladu s 2,6 × vyššou úsporou energie oproti pôvodnej stene,
- tepelný príkon na vykurovanie prototypu panelového domu IDA I. (4,5 kW) je o 58 % nižší oproti klasickému rodinnému domu (RD) (10,65 kW), ktorý v roku 2005 spĺňal tepelnotechnické požiadavky na stavebné konštrukcie podľa STN 73 0540,
- merná potreba tepla na vykurovanie IDA I. je 14,91 a klasického RD 56,3 kWh/(m2.a) čo predstavuje úsporu 74 %,
- komponenty s integrovanými energeticko-aktívnymi prvkami vyrábané v panelárni.
3.2 Experimentálny rodinný dom EB2020
Experimentálny rodinný dom EB2020 bol zameraný na výskum a vývoj spôsobu prevádzky kombinovaných stavebno-energetických systémov budov a zariadení na optimálne využitie OZE a odpadového tepla. Najdôležitejšie výsledky [2, 4, 7–9]:
- návrh, realizácia experimentálneho RD a experimentálne merania ATO, energetickej solárnej strechy (ESS), zemného zásobníka tepla (ZZT),
- optimalizácia CBES v rôznych prevádzkových režimoch s využitím OZE,
- ATO v obvodových stenách vo funkcií tepelnej bariéry (TB) pri strednej teplote teplonosnej látky +16 °C predstavuje dynamický tepelný odpor 30,80 (m2.K)/W (dynamická hrúbka tepelnej izolácie (TI) = 1 m), čo je 4,7 × väčší odpor ako normový 6,50 (m2.K)/W,
- nameraná spotreba energie pri využití ATO a OZE v experimentálnom RD predstavuje viac ako 30 % úspory pri vykurovaní a 47 % úspory pri príprave TV oproti prevádzke bez využitia ATO a OZE,
- experimentálny RD pri využití ATO a OZE spĺňa požiadavky na budovy s takmer nulovou potrebou energie = energetická trieda primárnej energie A0, úspora 36 % oproti prevádzke bez využitia ATO a OZE = energetická trieda primárnej energie A1.
3.3 Mobilné laboratórium – simulátor a optimalizátor IKZ
V spolupráci s firmou REGULATHERM podľa ÚŽITKOVÉHO VZORU č. 5749 bolo vybudované mobilné laboratórium určené na vývoj, výskum a optimalizáciu IKZ v súčinnosti s ATO. Najdôležitejšie výsledky [4, 5]:
- vývoj a výskum konštrukčných modelov kompaktných odovzdávacích staníc tepla OST nového SMART typu s akumuláciou prebytočnej energie z OZE, ktoré existujúce
- kompaktné OST neriešia,
- použitie vhodného akumulačného zásobníka znamená zníženie počtu spúšťacích cyklov tepelného čerpadla (TČ) z 20 štartov na 2 štarty počas 12 hodín prevádzky,
- akumulácia tepla/chladu môže byť oproti požadovanej potrebe až o 25 % vyššia,
- bol vytvorený manuál predpísaných krokov pre programátora softvéru riadiacej jednotky kompaktnej OST nového SMART typu.
3.4 Tepelnoizolačné panely s integrovanou ATO
Výskum a vývoj tepelnoizolačných panelov s integrovanou ATO pre kontaktné zatepľovacie systémy a koncové prvky veľkoplošného vykurovania a chladenia realizujeme od roku 2004 (EP 272057, [7] a ÚŽITKOVÝ VZOR č. 5725). Najdôležitejšie výsledky [2, 4, 6, 7]:
- bola vypracovaná metodika ekonomického a energetického hodnotenia eliminácie hrúbky TI pomocou TB (napr. zníženie normovej hrúbky TI z 210 mm na 50 mm), založená na výpočte ekonomických ukazovateľov – časového obdobia vyššej ekonomickej efektívnosti TB:
- ekonomický ukazovateľ č. 1 = závislosť od cien energie dodanej do TB a investičných nákladov na TI = cca 12,5 roka bez OZE a 25 rokov pri 50 % využití OZE,
- ekonomický ukazovateľ č. 2 = závislosť od cien energie dodanej do TB a potenciálu vyššieho zisku z predaja (menšia hr. TI = väčšia úžitková plocha pri rovnakej zastavanej ploche) = cca 55 rokov bez OZE a 115 rokov pri 50 % využití OZE pri súčasných cenách za 1 m2 nehnuteľností v bratislavskom kraji,
- ekonomický ukazovateľ č. 3 = závislosť od cien energie dodanej do TB a sivej energie potrebnej na výrobu TI = cca 4 roky bez OZE a 25 rokov pri 50 % využití OZE.
3.5 Výskumný objekt v Centrálnych laboratóriách SvF STU v Bratislave - Trnávke
Uskutočnené parametrické štúdie a počítačové (PC) simulácie eliminácie tepelnej izolácie pomocou TB predikujú vysoké energetické úspory pri nízkych teplotách teplonosnej látky. Napríklad pri hrúbke TI 100 mm pomocou teplonosnej látky v TB montovanej drevostavby vo vrstve vnútornej ATO so strednou teplotou +6 °C dosiahneme dynamický tepelný odpor stavebných konštrukcií zodpovedajúci hrúbke TI 200 mm, teda sa zvýši cca o 27,3 % oproti konštrukcií bez aplikácie ATO, [2, 4–9]. Výskumný objekt – laboratórium sme spustili do prevádzky v decembri 2024. Pripravované experimentálne merania na experimentálnom objekte sú zamerané najmä na:
- pasívne chladenie obvodového plášťa s využitím studenej vody z verejného vodovodu na chladenie/predohrev TV pomocou ATO na exteriérovej strane,
- meranie ATO v energetických funkciách vykurovanie, chladenie, tepelná bariéra, predohrev TV,
- meranie multifunkčných energetických panelov s ATO v spolupráci s fotovoltikou (FV).
4. Záver
V tomto príspevku predstavujeme stratégiu úspory energie a optimalizácie energetických procesov, ktorá významne prispieva k energeticky účinnejšej, ekonomicky efektívnejšej a environmentálne šetrnejšej prevádzke energetických zdrojov v budovách prostredníctvom návrhov budov so stavebnými konštrukciami s integrovanými energeticky-aktívnymi prvkami, vrátane zmierňovania klimatických zmien a znižovania ďalšieho znečistenia. Naším cieľom je preklenúť medzeru a rozdiely medzi výskumom, vývojom, projektovaním a realizáciou, vytvoriť kombinovaný stavebno-energetický systém budovy, ktorý zabezpečí zdravé vnútorné prostredie z dlhodobého hľadiska a počas celej životnosti, ako aj poukázať na nevyhnutnosť plánovania energetických systémov v kontexte všetkých aspektov prevádzky.
Literatúra
- Organizácia Spojených národov. Domovská stránka OSN, aktualizované 02.03.2025. Dostupné z:
https://unis.unvienna.org/unis/sk/topics/sustainable_development_goals.html - KALÚS D, KOUDELKOVÁ D, MUČKOVÁ V, SOKOL M, KURČOVÁ M. Contribution to the Research and Development of Innovative Building Components with Embedded Energy-Active Elements. Coatings. 2022 Jul 19;12(7):1021.
- ŠIMKO M, KRAJČÍK M, ŠIKULA O, ŠIMKO P, KALÚS D. Insulation panels for active control of heat transfer in walls operated as space heating or as a thermal barrier: Numerical simulations and experiments. Energy and buildings. 2018 Jan 1;158:135-46.
- KALÚS D., JANÍK P., KUBICA M. Experimental house EB2020–Research and experimental measurements of an energy roof. Energy and Buildings. 2021 Oct 1;248:111172.
- KALÚS D. ÚŽITKOVÝ VZOR SK 5749 Y1: Spôsob činnosti kombinovaného stavebno-energetického systému budov a zariadení. Dátum nadobudnutia platnosti úžitkového vzoru: 1.4.2011 V: Vestník ÚPV SR č. 5/2011, Banská Bystrica, SR, 23 s.
- KALÚS D. ÚŽITKOVÝ VZOR SK 5729 Y1: Samonosný tepelnoizolačný panel pre systémy s aktívnym riadením prechodu tepla. Dátum nadobudnutia platnosti úžitkového vzoru: 28.2.2011 V: Vestník ÚPV SR č. 4/2011, Banská Bystrica, SR, 32 s.
- KALÚS D. EUROPEAN PATENT EP 2 572 057 B1. Heat Insulating Panel with Active Regulation of Heat Transition. International application number: PCT/SK2011/000004, international publication number: WO 2011/146025 (24.11.2011Gazette 2011/47), 15 Oct. 2014; 67 p.
- KALÚS D., JANÍK P., KOUDELKOVÁ D., MUČKOVÁ V., SOKOL M. Contribution to research on ground heat storages as part of building energy systems using RES. Energy and Buildings. 2022 Jul 15;267:112125.
- KALÚS D, KOUDELKOVÁ D, MUČKOVÁ V, SOKOL M, KURČOVÁ M, JANÍK P. Practical experience in the application of energy roofs, ground heat storages, and active thermal protection on experimental buildings. Applied Sciences. 2022 Sep 16;12(18):9313.
Zoznam označení
- OZE
- obnoviteľné zdroje energie
- CO2
- oxid uhličitý
- OSN
- Organizácia Spojených národov
- ATO
- aktívna tepelná ochrana
- IKZ
- inteligentné kompaktné zariadenie
- IDA I.
- názov prototypu panelového domu (Ida – manželka majiteľa licencie)
- TB
- tepelná bariéra
- TI
- tepelná izolácia
- RD
- rodinný dom
- ESS
- energetická solárna strecha
- ZZT
- zemný zásobník tepla
- OST
- odovzdávacia stanica tepla
- TČ
- tepelné čerpadlo
- PC
- simulácie počítačové simulácie
- TV
- teplá voda
- FV
- fotovoltika
Táto práca bola podporená Ministerstvom školstva, vedy, výskumu a športu Slovenskej republiky v rámci grantu VEGA 1/0118/23.
Zmíněný navrhovaný systém integrovaných energeticky aktivních stavebních konstrukcí představuje komplexní a technicky náročné řešení, které vychází z dlouhodobého výzkumu. Z textu je patrná snaha o inovativní propojení stavebních konstrukcí a energetických funkcí, nicméně samotná míra složitosti systému naznačuje, že jeho praktické uplatnění může být spojeno s řadou provozních výzev. Skutečná životaschopnost tohoto konceptu tak bude do značné míry záviset na ověření jeho funkčnosti v dlouhodobém reálném provozu. Z hlediska širšího využití v praxi by bylo přínosné doplnit ekonomické hodnocení navrhovaného řešení, zejména ve vztahu k pořizovacím nákladům a potenciálním energetickým úsporám. U běžných typů staveb, jako jsou rodinné domy, zatím nelze jednoznačně posoudit, zda by tento systém představoval ekonomicky efektivní alternativu ke konvenčním řešením. Další vývoj a praktické zkušenosti tak ukážou, do jaké míry může být tento přístup uplatnitelný mimo výzkumné a pilotní projekty.
![Obr. 1 Rozdelenie kombinovaných stavebno-energetických systémov [Kalús]](/docu/clanky/0293/029315o2.png)
![Obr. 2 Variantné riešenie koncepcie prevádzky CBES s využitím OZE [4, 5, 8, 9]](/docu/clanky/0293/029315o4.png)
![Obr. 3a Pohľad na tepelno-izolačné panely s ATO [5 až 7]](/docu/clanky/0293/029315o6.jpg)
![Obr. 3b Mobilné laboratórium IKZ [5 až 7]](/docu/clanky/0293/029315o8.jpg)
![Obr. 4a Realizácia prototypu montovaného domu IDA I. [Kalús]](/docu/clanky/0293/029315o10.jpg)
![Obr. 4b Realizácia prototypu montovaného domu IDA I. [Kalús]](/docu/clanky/0293/029315o12.jpg)
![Obr. 4c Realizácia prototypu montovaného domu IDA I. [Kalús]](/docu/clanky/0293/029315o14.jpg)
![Obr. 4d Realizácia prototypu montovaného domu IDA I. [Kalús]](/docu/clanky/0293/029315o16.jpg)
![Obr. 5a Realizácia zemného zásobníka tepla [Kalús]](/docu/clanky/0293/029315o18.jpg)
![Obr. 5b Realizácia tepelnej bariéry [Kalús]](/docu/clanky/0293/029315o20.jpg)
![Obr. 5c Realizácia energetickej strechy [Kalús]](/docu/clanky/0293/029315o22.jpg)
![Obr. 6a Exteriérové vybavenie mobilného laboratória [4, 5]](/docu/clanky/0293/029315o24.jpg)
![Obr. 6b Interiérové vybavenie mobilného laboratória [4, 5]](/docu/clanky/0293/029315o26.jpg)
![Obr. 6c Interiérové vybavenie mobilného laboratória [4, 5]](/docu/clanky/0293/029315o28.jpg)
![Obr. 7a Prototypy tepelnoizolačných panelov s ATO [Kalús]](/docu/clanky/0293/029315o30.jpg)
![Obr. 7b Prototypy tepelnoizolačných panelov s ATO [Kalús]](/docu/clanky/0293/029315o32.jpg)
![Obr. 7c Prototypy tepelnoizolačných panelov s ATO [Kalús]](/docu/clanky/0293/029315o34.jpg)
![Obr. 8a Pohľad na energeticky multifunkčnú fasádu [Kalús]](/docu/clanky/0293/029315o36.jpg)
![Obr. 8b Pohľad na energeticky multifunkčnú fasádu [Kalús]](/docu/clanky/0293/029315o38.jpg)
![Obr. 8c Zariadenie strojovne laboratória [Kalús]](/docu/clanky/0293/029315o40.jpg)
![Obr. 8d Zariadenie strojovne laboratória [Kalús]](/docu/clanky/0293/029315o42.jpg)
