Vliv vysokotlakého vodíku na materiálové vlastnosti ocelí používaných v plynárenství
Přehrát audio verzi
Vliv vysokotlakého vodíku na materiálové vlastnosti ocelí používaných v plynárenství
00:00
00:00
1x
- 0.25x
- 0.5x
- 0.75x
- 1x
- 1.25x
- 1.5x
- 2x
Se snižováním emisí CO2 a hledáním čistých a udržitelných zdrojů energie přichází do hry vodík. Evropská unie je odhodlána plně nahradit zemní plyn vodíkem v roce 2050. S těmito požadavky je skutečně důležité studovat materiály používané ve stávající plynárenské infrastruktuře a hodnotit jejich odolnost vůči vodíkovému zkřehnutí, které je v prostředí vodíku častým degradačním jevem. Vliv vysokotlakého vodíku (10 MPa) je testován na potrubních celcích z materiálů X-52, X-60 a X-70, které jsou běžně využívanými v rámci plynárenské infrastruktury v ČR, pomocí in-situ SSRT a expozice těles pro zkoušku rázem v ohybu ve vysokotlakém vodíku a sledování změn v dosažených mechanických vlastnostech, ale např. i lomovém mechanismu.
1. Úvod
S ohledem na společensky aktuální téma dekarbonizace a dosažení tzv. uhlíkové neutrality související s dohodou Green deal, ale i projektem REPowerEU, který usiluje o zajištění udržitelných energetických zdrojů pro Evropu a zbavení se závislosti na ruských energetických zdrojích (plyn, ropa) [1] se do oblasti aktuálního zájmu dostává i obor plynárenství, kde by se uhlíková stopa měla snižovat příměsí vodíku (postupem času až plným nahrazením) k zemnímu plynu. V rámci dohody Green deal a iniciativy European Hydrogen Backbone (EHB) by mělo do roku 2050 dojít k vybudování páteřní vodíkové distribuční sítě pro celou Evropu, kde se počítá s využitím a úpravami stávající plynárenské infrastruktury, což by mělo vést k značným materiálovým úsporám, protože náklady na provoz stávající sítě jsou asi 20% vůči výstavbě sítě nové [2, 3].
V posledních letech se stále častěji mluví o vodíku jako zdroji ekologického paliva i energie. Základ této energetické transformace tkví v první fázi v přimíchávání vodíku k zemnímu plynu a tím ke snížení emisí CO2. V další fázi pak má následovat postupné zvyšování obsahu vodíku v plynárenské infrastruktuře až na úroveň 50 % do roku 2050, přičemž středně až dlouhodobé scénáře počítají s přechodem ze zemního plynu pouze na čistý vodík. Základním problémem této přechodné fáze je minimum informací o aktuálním stavu plynárenské infrastruktury a o degradačním působení vodíku na ocelová potrubí, která jsou aktuálně v plynárenské síti používána. Z historie je totiž známo, že degradační působení vodíku rozhodně není zanedbatelné [4, 5, 6] a je ovlivněno mnoha vnějšími faktory [7, 8, 9].
Většina lokálních potrubních distribučních systémů obsahuje minimálně polyetylenovou vložku (nebo jsou kompletně plastové), která by měla být vůči účinkům vodíku mnohem odolnější společně s mnohem nižšími provozními parametry lokálních sítí v porovnání se sítěmi páteřními, tak nepředstavuje vážnější bezpečnostní riziko. Problémem se však stávají páteřní sítě, kde jsou ocelová potrubí pracující za podstatně vyšších tlaků a průtoků; dle dostupných informací páteřní trasy v ČR tvoří přibližně 40–45 % celé plynové infrastruktury [10]. Cílem článku je tedy ověřit chování výše zmíněných materiálů v prostředí vysokotlakého plynného vodíku.
2. Hodnocený materiál a postup
Hodnoceným materiálem byla tři provozovaná plynová potrubí z materiálů X-52, X-60 a X-70. Chemické složení těchto trubek stanovené spalovací metodou a metodou WD-XRF je uvedeno v tabulce 1.
| Trubka | C | S | Mn | Si | P | Cu | Ni | Cr | Mo | V | Ti | Nb | W | Co |
|---|---|---|---|---|---|---|---|---|---|---|---|---|---|---|
| X-52 | 0,16 | 0,040 | 1,26 | 0,29 | 0,026 | 0,22 | 0,29 | 0,11 | 0,045 | < 0,003 | < 0,005 | < 0,003 | 0,006 | 0,011 |
| X-60 | 0,084 | 0,004 | 1,59 | 0,43 | 0,015 | 0,065 | 0,025 | 0,028 | 0,008 | 0,087 | < 0,005 | 0,058 | < 0,005 | 0,005 |
| X-70 | 0,10 | 0,005 | 1,60 | 0,37 | 0,018 | 0,040 | 0,030 | 0,072 | 0,023 | 0,030 | 0,005 | 0,040 | < 0,005 | 0,010 |
Z výše uvedených trubek byla vyrobeny standardní zkušební tělesa pro zkoušku rázem v ohybu o rozměrech 55 × 10 × 10 mm (v jednom případě 55 × 10 × 5 mm) s 2mm V-vrubem, která byla následně exponována ve vysokotlakém vodíku při různých tlacích a dobách výdrže v autoklávu, obr. 1. Po ukončení expozice byla tělesa vytažena a ihned přeražena na Charpyho kladivu o maximální energii 450 J, hodnocena byla dosažená nárazová práce a následně na SEM i vzhled lomové plochy a uplatněný lomový mechanismus, tyto charakteristiky byly dále porovnávány s neexponovanými tělesy.
V druhé části práce byly připraveny kruhové zkušební tyče pro zkoušku tahem M10 Ø6 mm. Po zabudování autoklávu do servohydraulického zkušebního zařízení MTS 100 kN a po upnutí vzorku do čelistí stroje byl autokláv uzavřen, propláchnut dusíkem a následně vakuován. Poté byl postupně natlakován vodíkem až do pracovního tlaku 10 MPa, přičemž je zároveň nutné hydraulikou kompenzovat tlak vodíku, aby nedošlo k náhlému porušení vzorku. Zkušební tyče byly přetrženy in-situ ve vodíku o tlaku 10 MPa při pomalé rychlosti deformace (SSRT), obr. 2. Hodnoceny byly tvary křivek napětí-deformace, dosažené napěťově-deformační charakteristiky, ale i makro a mikromorfologie lomových plochy. Získané parametry byly následně opět porovnány s běžnou tahovou zkouškou na vzduchu.
3. Výsledky expozice zkoušek rázem v ohybu
V tabulkách 2–4 je uvedena dosažená nárazová práce pro jednotlivé studované materiály. Pro simulaci defektu v materiálu byla do některých těles předcyklována únavová trhlina o délce cca 5–6 mm (v uvedené délce je započítán i 2mm V-vrub). Všechny expozice proběhly při laboratorní teplotě.
| Ozn. | Tlak [MPa] | Doba exp. [hod.] | Tloušťka [mm] | Šířka [mm] | Náraz. práce [J] | Délka trhliny [mm] |
|---|---|---|---|---|---|---|
| X-52-1 | Výchozí stav | 10 | 10 | 60 | – | |
| X-52-2 | 65 | – | ||||
| X-52-3 | 65 | – | ||||
| X-52-4 | 10 | 100 | 10 | 10 | 66 | – |
| X-52-5 | 68 | – | ||||
| X-52-6 | 69 | – | ||||
| X-52-7 | 10 | 385 | 10 | 10 | 78 | – |
| X-52-8 | 98 | – | ||||
| X-52-9 | 68 | – | ||||
| X-52-10 | 30 | 1000 | 5 | 10 | 66 | |
| X-52-11 | 66 | |||||
| X-52-12 | 65 | |||||
| X-52-13 | Výchozí stav | 10 | 10 | 26 | 5,19 | |
| X-52-14 | 24 | 5,22 | ||||
| X-52-15 | 23 | 5,15 | ||||
| X-52-16 | 10 | 400 | 10 | 10 | 26 | 5,01 |
| X-52-17 | 25 | 5,33 | ||||
| X-52-18 | 26 | 5,08 | ||||
| Ozn. | Tlak [MPa] | Doba exp. [hod.] | Tloušťka [mm] | Šířka [mm] | Náraz. práce [J] | Délka trhliny [mm] |
|---|---|---|---|---|---|---|
| X-60-1 | Výchozí stav | 10 | 10 | 94 | – | |
| X-60-2 | 119 | – | ||||
| X-60-3 | 94 | – | ||||
| X-60-4 | 10 | 100 | 10 | 10 | 95 | – |
| X-60-5 | 102 | – | ||||
| X-60-6 | 91 | – | ||||
| X-60-7 | 10 | 385 | 10 | 10 | 96 | – |
| X-60-8 | 89 | – | ||||
| X-60-9 | 97 | – | ||||
| X-60-10 | Výchozí stav | 10 | 10 | 23 | 5,52 | |
| X-60-11 | 22 | 5,55 | ||||
| X-60-12 | 24 | 5,19 | ||||
| X-60-13 | 10 | 400 | 10 | 10 | 48 | 6,04 |
| X-60-14 | 57 | 5,4 | ||||
| X-60-15 | 48 | 6,87 | ||||
| Ozn. | Tlak [MPa] | Doba exp. [hod.] | Tloušťka [mm] | Šířka [mm] | Náraz. práce [J] | Délka trhliny [mm] |
|---|---|---|---|---|---|---|
| X-70-1 | Výchozí stav | 10 | 10 | 193 | – | |
| X-70-2 | 161 | – | ||||
| X-70-3 | 178 | – | ||||
| X-70-4 | 10 | 100 | 10 | 10 | 176 | – |
| X-70-5 | 205 | – | ||||
| X-70-6 | 179 | – | ||||
| X-70-7 | 10 | 385 | 10 | 10 | 188 | – |
| X-70-8 | 192 | – | ||||
| X-70-9 | 181 | – | ||||
| X-70-10 | Výchozí stav | 10 | 10 | 63 | 5,25 | |
| X-70-11 | 55 | 5,20 | ||||
| X-70-12 | 65 | 5,31 | ||||
| X-70-13 | 10 | 400 | 10 | 10 | 49 | 5,45 |
| X-70-14 | 52 | 5,00 | ||||
| X-70-15 | 55 | 5,64 | ||||
Z následně provedeného fraktografického rozboru nevyplynuly prakticky žádné rozdíly mezi neexponovanými a exponovanými vzorky. Na lomových plochách vzorků byl často zjištěn výskyt jemných či hrubých trhlin, obr. 3a. Lomová plocha vzorků X-52 a X-60 přeražených na vzduchu byla tvořena kombinací transkrystalického tvárného a transkrystalického štěpného porušení, obr. 3b, c. U vzorků X-52 byly oblasti s rozdílným druhem porušení identifikovatelné již při pohledu pouhým okem, obr. 4a, což bylo následně potvrzeno při vyšším zvětšení, obr. 4b–d.
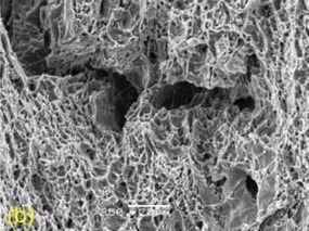
Obr. 3 Vzorek X-60-12: (a) celkový pohled na lomovou plochu, (b) kombinace lomových mechanismů, (c) transkrystalický štepný lom, detail

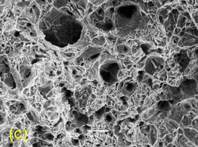
Obr. 4 Vzorek X-52-13: (a) celkový pohled na lomovou plochu s vizuálně odlišnými oblastmi, (b) kombinace lomových mechanismů, (c) transkrystalický štěpný lom, detail, (d) transkrystalický tvárný lom + dutiny, detail
Při rozboru vzorků exponovaných ve vodíku nebyly z makromorfologického i mikromorfologického hlediska zjištěny zásadní rozdíly ve vzhledu lomových ploch. Vzhled lomových ploch se neměnil ani při prodloužení délky expozice ani při zvýšení tlaku vodíku. Příkladová dokumentace různých exponovaných vzorků je uvedena na obr. 5, 6.

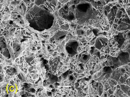
Obr. 5 Vzorek 50A-16 s nacyklovanou trhlinou po expozici 10 MPa, 400 h: (a) celkový pohled na lomovou plochu s dvěma kontrastně odlišitelnými oblastmi, (b) rozhraní mezi nacyklovanou trhlinou a dolomením, (c) transkrystalický tvárný lom, (d) transkrystalický štěpný lom
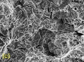
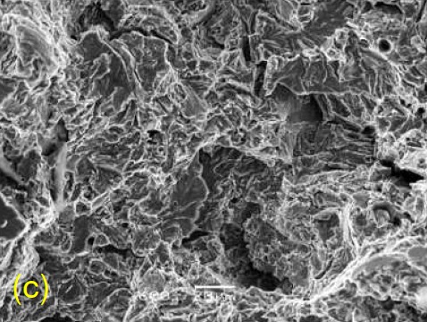
Obr. 6 Vzorek 50A-11 po expozici 30 MPa, 1000 h (a) celkový pohled na lomovou plochu, (b, c) detaily transkrystalického tvárného mechanismu porušení
4. Výsledky in-situ SSRT
Výsledky pomalých zkoušek tahem jsou uvedeny v tabulce 5. Pro mat. X-60 byly záměrně provedeny dvě SSRT při rozdílných rychlostech (0,01 a 0,08 mm·min−1) pohybu příčníku pro posouzení vlivu rychlosti deformace. SSRT byly následně porovnány se standardními zkouškami na vzduchu, viz obr. 7.
| Vzorek | Prostředí | Rychlost příčníku [mm·min−1] | Rp0,2 [MPa] | Rm [MPa] | A [%] | Z [%] |
|---|---|---|---|---|---|---|
| 50A | vzduch | – | 331 | 531 | 36 | 68,4 |
| 933 | vzduch | – | 555 | 659 | 28,9 | 72,2 |
| 46B | vzduch | – | 523 | 659 | 23,7 | 71,6 |
| 50A | H2, 10 MPa | 0,017 | 323 | 519 | 29 | 20,8 |
| 933-1 | H2, 10 MPa | 0,080 | 557 | 663 | 24,3 | 25,1 |
| 933-2 | H2, 10 MPa | 0,010 | 549 | 655 | 22 | 23 |
| 46B | H2, 10 MPa | 0,025 | 517 | 660 | 14,7 | 13,5 |
Již z vizuálního hlediska se všechny lomové plochy všech vzorků jevily jako matné, houževnaté s menším smykovým vytržením. Mikromorfologie lomových ploch všech vzorků byla tvořena mechanismem transkrystalického tvárného porušení s morfologií různorodých jamek, obr. 8a–c.
Obr. 8 Vzorek X-52 přetržený na vzduchu: (a) celkový pohled na lomovou plochu, (b) smykový okraj, (c) transkrystalický tvárný lom
Na všech vzorcích přetržených ve vodíku bylo již pouhým okem dobře pozorovatelné mnohem menší zúžení vzorku v místě přetržení, obr. 9a. Lomové plochy byly často zkosené pod úhlem cca 45°, obr. 9b. Mikromorfologie lomových ploch byla tvořena převážně transkrystalickým štěpným lomem.
Obr. 9 Vzorek X-52 přetržený ve vodíku: (a) celkový pohled na lomovou plochu, (b) zešikmení lomové plochy, (c) transkrystalický štěpný lom
5. Diskuse výsledků
Zkoušky rázem v ohybu po expozici ve vodíkovém autoklávu neprokázaly zásadní změnu nárazové práce při různých tlacích a dobách expozice. U vzorků s předcyklovanou trhlinou nárazová práce klesla, ale při porovnání s neexponovaným stavem lze prohlásit, že ke snížení došlo pouze vlivem snížení iniciační složky vrubu vlivem nacyklované trhliny. Zdá se tedy, že pouhá expozice vzorků v prostředí plynného vodíku bez dodatečné deformace nemá na degradaci materiálu zásadní vliv. Fraktografický rozbor těles pro zkoušku rázem v ohybu neprokázal změny mezi exponovaným a neexponovaným stavem. V obou stavech byly na lomových plochách nalezeny příčné trhliny tzn. nebyly způsobeny vlivem vodíku, např. u vzorku X-52 se na lomových plochách vyskytovala oblast transkrystalického štěpného lomu, opět v obou stavech.
Zkoušky tahem na vzduchu a pomalé zkoušky tahem (SSRT) ve vodíku při srovnání prokázaly prakticky stejnou mez kluzu a pevnosti, ale došlo ke snížení tažnosti a zásadnímu poklesu kontrakce. U SSRT zkoušených in-situ ve vodíkovém autoklávu docházelo k lomu vzorku dříve než u odpovídajících zkoušek na vzduchu. Zdá se tedy, že dodatečná deformace materiálu a její rychlost při expozici hraje v jeho vodíkové degradaci zásadní význam. Z grafického porovnání křivek napětí-deformace je patrné, že zkouška X-60-2 (nižší rychlost deformace) praskla dříve než X-60-1 (vyšší rychlost deformace), takže lze prohlásit, že delší časy difúze vodíku negativně ovlivňují hlavně tažnost a kontrakci vzorku. Při fraktografickém rozboru byla prakticky u všech vzorků zjištěna změna lomového mechanismu. Zatímco u zkoušek na vzduchu byly lomové plochy tvořeny téměř výhradně transkrystalickým tvárným lomem, tak u zkoušek ve vodíku docházelo k uplatnění transkrystalického štěpného mechanismu, rovněž lomové plochy nebyly rovné, ale často orientovány šikmo pod úhlem zhruba 45°.
6. Závěr
V případě volně exponovaných vzorků pro zkoušku rázem v ohybu nebyl prokázán vliv vodíku na snížení nárazové práce či mikromorfologické změny. Ze získaných výsledků je tedy patrné, že degradační vliv vodíku se projevuje intenzivněji pouze v případě je-li aplikována dodatečná deformace vzorku, jako např. namáhání v tahu v případě SSRT. Při porovnání SSRT se zkouškami na vzduchu jsou sice mez pevnosti a kluzu prakticky stejné, ale dochází k poklesu tažnosti a razantnímu snížení kontrakce tzn. k lomu ve vodíku je nutná menší deformace než na vzduchu. Rovněž bylo zjištěno, že při nižších rychlostech deformace dochází k většímu poklesu tažnosti a kontrakce než při vyšších rychlostech deformace. Pokles tažnosti, a hlavně kontrakce vysvětluje změna lomového chování vodíkem zhřehnutých vzorků, kdy dochází ke změně z transkrystalického tvárného lomu na transkrystalický štěpný lom tzn. dochází ke změně z vysokoenergetického houževnatého lomu na nízkoenergetický křehký lom.
Poděkování
Tato práce vznikla v rámci řešení projektu TA ČR č. SS06020165 – Zmapování dopadů snahy o snižování emisí skleníkových plynů pomocí příměsí vodíku na živostnost stávající infrastruktury plynových energetických zařízení a institucionální podpory dlouhodobého a koncepčního rozvoje výzkumné organizace v roce 2025, kterou poskytlo Ministerstvo průmyslu a obchodu České republiky.
Literatura
- REPowerEU. Affordable, secure and sustainable energy for Europe. European Commision. [cit. 2024-05-03]. Dostupné z: https://commission.europa.eu/topics/energy/repowereu_en.
- EHB Implementation Roadmap: Public support as catalyst for hydrogen infrastructure. European Hydrogen Backbone. [cit. 2024-05-03]. Dostupné z: https://ehb.eu/page/publications.
- Cristello, J. B., YANG, J. M., HUGO, R., LEE, Y., PARK, S. S. Feasibility analysis of blending hydrogen into natural gas networks. International Journal of Hydrogen Energy. 2023. roč. 48, č. 46, s. 17605–17629. ISSN 0360-3199. Dostupné z: https://doi.org/10.1016/j.ijhydene.2023.01.156.
- SOJKA, J. Odolnost ocelí vůči vodíkové křehkosti. Ostrava: Vysoká škola báňská-technická univerzita, 2007. ISBN 978-80-248-1648.
- LEE, A. J.; WOODS, S. Hydrogen Embrittlement. NASA/TM-2016-218602. 2016. Dostupné z:
https://ntrs.nasa.gov/citations/20160005654. - CHEN, Y.-S. et al. Hydrogen trapping and embrittlement in metals – A review. International Journal of Hydrogen Energy. 2024. ISSN 0360-3199. Dostupné z: https://doi.org/10.1016/j.ijhydene.2024.04.076.
- DWIVEDI, S.; VISHWAKARMA, M. Hydrogen embrittlement in different materials: A review: A review. International Journal of Hydrogen Energy. 2018, roč. 43. Dostupné z: https://doi.org/10.1016/j.ijhydene.2018.09.201.
- ZHANG, H. et al. Research progress on corrosion and hydrogen embrittlement in hydrogen–natural gas pipeline transportation. Natural Gas Industry B. 2023, roč. 10, č. 6, s. 570-582. ISSN 2352-8540. Dostupné z:
https://doi.org/10.1016/j.ngib.2023.11.001. - ZHANG, Y.; YE, Q.; YAN, Y. Processing, microstructure, mechanical properties, and hydrogen embrittlement of medium-Mn steels: A review: A review. Journal of Materials Science & Technology. 2024. ISSN 1005-0302. Dostupné z:
https://doi.org/10.1016/j.jmst.2024.03.014. - GasNet je připraven zvedat podíl biometanu a vodíku ve své síti [online]. GasNet, s.r.o. [cit. 2024-05-03]. Dostupné z: https://www.gasnet.cz/o-spolecnosti/novinky/2022/05/GasNet-je-pripraven-zvedat-podil-biometanu-a-vodiku.
Článek je přínosem pro zmapování dopadů snahy o snižování emisí skleníkových plynů pomocí příměsí vodíku na životnost stávající infrastruktury plynových energetických zařízení. Velmi příznivé je zjištění, že při rozboru vzorků exponovaných ve vodíku nebyly z makromorfologického i mikromorfologického hlediska zjištěny zásadní rozdíly ve vzhledu lomových ploch. Vzhled lomových ploch se neměnil ani při prodloužení délky expozice ani při zvýšení tlaku vodíku. Článek doporučuji k vydání.















