Hybridní systémy s tepelnými čerpadly
Přehrát audio verzi
Hybridní systémy s tepelnými čerpadly
00:00
00:00
1x
- 0.25x
- 0.5x
- 0.75x
- 1x
- 1.25x
- 1.5x
- 2x
Článek pojednává o navrhování hybridních systémů vytápění s tepelnými čerpadly vzduch/voda a s dalšími zdroji. V první části pojednává o hybridních systémech v RD s tepelnými ztrátami do 18 kW a ve druhé části pak na praktických příkladech poukazuje na úskalí navrhování těchto hybridních systémů pro větší objekty s tepelnými ztrátami do cca 250 kW.
Úvod
Praxe technicky zaměřených pracovníků a kolegů, kteří se zabývají navrhováním a řešením tepelných soustav a otopných zdrojů se v posledních letech zásadně změnila. Zatímco cca před 5–8 lety byly návrhy otopných soustav s tepelnými čerpadly ojedinělou záležitostí a převládaly návrhy s plynovými kondenzačními kotli, v posledních 3–4 letech se situace v našich podmínkách změnila. Vlivem situace ve světě, vývojem legislativy, změnami v cenách energie a dalšími vlivy se dnes častěji dělají návrhy otopných soustav s tepelnými čerpadly. V poslední době se poměrně dost často navrhují otopné soustavy i s kombinacemi zdrojů – tepelná čerpadla spolu s plynovými nebo jinými kotli a vznikají tzv. hybridní soustavy. V článku se proto budeme zabývat kombinacemi tepelných čerpadel (TČ) vzduch/voda v kompaktním provedení s jinými zdroji.
Otázkou je jaké typy tepelných zdrojů a v jakém procentuálním poměru s ohledem na tepelné ztráty vytápěného objektu, případně s ohledem na jiná kritéria, mají být do soustavy navrženy a spojeny, aby to mělo smysl a aby se využívaly s příslušným zdroji ty nejlepší vlastnosti. Toto spojení pak musí přispět nejen k úsporám v provozu, ke snížení emisí, ale musí být spolehlivé a nechat se intuitivně ovládat regulací, která dokáže podle nastavených kritérií řídit s výhodami v příslušných provozních situacích zvolené zdroje. Nelze rozebírat všechny možnosti, ale pokusíme se v příkladech upozornit na některá úskalí v navrhování, neboť uvedená problematika je často řešená intuitivně a díky zkušenostem řady projektantů a praktiků v oboru TZB.
Situace v menších objektech a obvyklých rodinných domech
Máme na mysli otopné soustavy v rodinných domech s tepelnými ztrátami do 18 kW. V těchto otopných soustavách s návrhem jednoho tepelného čerpadla ani s následnou realizací nebývají zásadní problémy. Dodavatelské firmy i projektanti již velmi dobře znají způsoby navrhování a instalace. V posledních letech je to asi nejčastěji se opakující záležitost a většina profesionálů již dobře ví, na co si dát pozor. Na trhu je v nabídce řada kvalitních tepelných čerpadel a díky originálnímu systémovému příslušenství od výrobce lze řešit řadu kombinací přímo podle doporučených schémat zapojení. Nejčastějším způsobem zapojení bývá monoenergetický provoz, kde bivalenci k tepelnému čerpadlu řeší systémová vnitřní jednotka, která v sobě zahrnuje obvykle elektrický dotop. Tepelné čerpadlo je řízené ekvitermní regulací a elektrický dotop se zapíná podle venkovní teploty pod teplotou bivalence a nastavených požadavků dohřívá otopnou vodu případně pomůže zajistit přípravu TV v nepřímo ohřívaném zásobníku. Pokud je potřeba doplnit nějaký další zdroj, řeší se tento požadavek nejčastěji pomocí připojení do akumulačního zásobníku, jehož velikost je nutno volit s větší pozorností, s ohledem na výkon příslušného TČ a na výkon a typ dalšího zdroje.
Spojení tepelného čerpadla a fotovoltaického systému
Z praxe je toto spojení vyžadováno. Elektrickou energii vyrobenou fotovoltaickým systémem můžeme využívat pro pohon tepelného čerpadla, pak je nutné mít příslušné baterie, měnič a vyrobenou elektrickou energii v maximální míře spotřebovat na příslušném domě. Jde pak o klasický monoenergetický provoz TČ využívající fotovoltaiku. Někteří investoři ukládají elektrickou energii přímo přes elektropatronu do zásobníku pro přípravu TV nebo do akumulačního zásobníku a potom jde o alternativu hybridního systému a je nutné hlídat příslušnou teplotu v akumulačním zásobníku, aby se nepřetopil a TČ neskončilo v poruše.
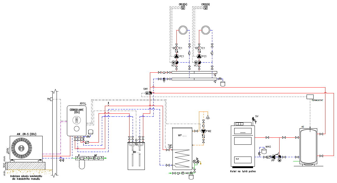
Spojení tepelného čerpadla a krbového vytápění s teplovodní vložkou
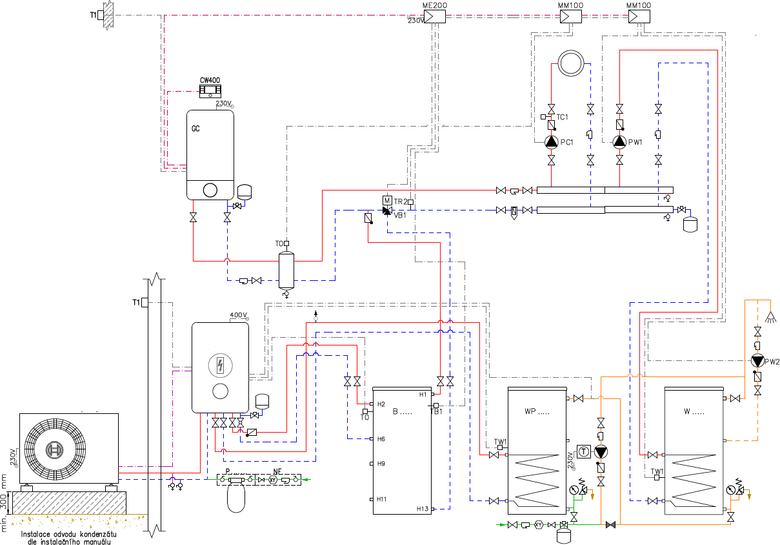
Požadují se do sebe spojit 2 velmi odlišné zdroje. Krbovou vložku (kotel na tuhá paliva) jinými slovy vysokoteplotní zdroj, pokud nejde o automat nijak zásadně nezregulujeme a nezabrzdíme. Při malých výkonech krbové vložky můžeme návrh řešit společnou pečlivě navrženou akumulací z krbové vložky spolu s akumulací tepelného čerpadla pro odtávání. Při větších rozdílech výkonů TČ a krbové vložky nebo kotle na tuhá paliva se může při provozu vysokoteplotního zdroje objevit příliš vysoká teplota ve společném akumulačním zásobníku, ze kterého si bere tepelné čerpadlo energii pro odtávání, pak TČ v zimním období může i po krátké době provozu krbové vložky skočit do poruchy vlivem přehřátí. Jak tomu předejít? Osvědčilo se tuto záležitost řešit se dvěma akumulačními zásobníky, kde jeden akumulační zásobník je nízkoteplotní pro odtávání tepelného čerpadla (zpravidla 10–20 l na každou kW jmenovitého výkonu TČ) a druhý s větším objemem je vysokoteplotní pro kotel na tuhá paliva nebo krbovou vložku příslušného výkonu (zpravidla 30–40 l na 1 kW výkonu vysokoteplotního zdroje) a při zapojení, které je na obr. 1, se nechá v mnoha instalacích udržet spolehlivý automatický provoz s ohledem na tepelné čerpadlo. Nízkoteplotní akumulační zásobník přímo napojený na TČ při tomto zapojení funguje při současném provozování vysokoteplotního zdroje jako hydraulické oddělení a teplota se v něm zvyšuje velmi pozvolna, neboť se do něj vrací otopná voda až po předání energie otopné soustavě. Při nahřátí vysokoteplotní akumulace kotlem na tuhá paliva na nastavenou teplotu, přepne třícestný ventil SW1 tok energie z vysokoteplotní akumulace do spotřebitelských okruhů a nízkoteplotní zásobník určený pro odtávání TČ se pak začne ohřívat chladnější vratnou otopnou vodou ze soustavy. Nevýhodou jsou větší prostorové nároky na příslušné zásobníky.
Spojení tepelného čerpadla a plynového kondenzačního kotle
Z praxe z domácího trhu je toto spojení realizovatelné obvykle 2 způsoby zapojení, které je vždy doplněno jednou ekvitermní regulací, která řídí provoz obou zdrojů dle nastavených parametrů nebo např. i dle cenové výhodnosti příslušné energie.
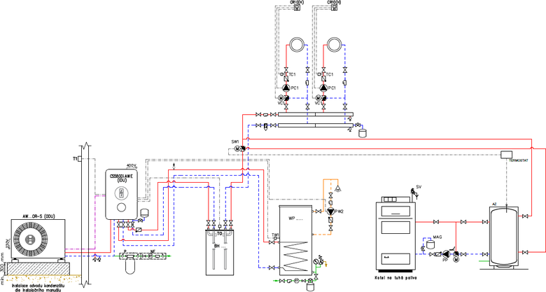
První způsob je s využitím vnitřní jednotky tepelného čerpadla, která umožňuje připojení bivalentního regulovatelného zdroje v podobě elektrokotle nebo plynového kotle viz schéma na obr. 2. Tepelné čerpadlo je řízené ekvitermním regulátorem a podle potřeby soustavy a při venkovní teplotě pod bodem bivalence automaticky spíná příslušný bivalentní zdroj.

Obr. 2 Principiální schéma zapojení TČ s plynovým kondenzačním kotlem prostřednictvím vnitřní jednotky, umožňující připojení různých bivalentních regulovatených zdrojů
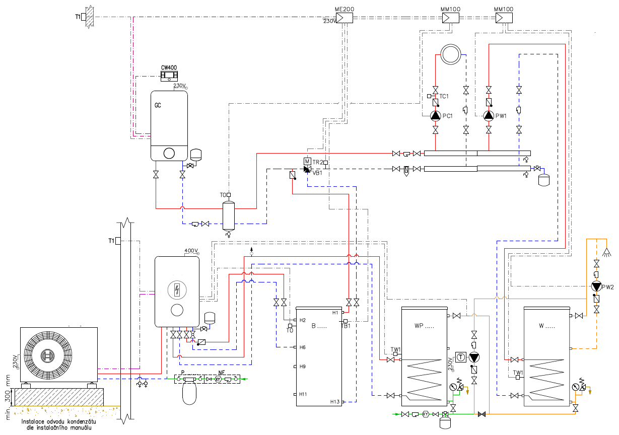
Druhý způsob spojení tepelného čerpadla a plynového kotle spočívá ve využití akumulačního bivalentního zásobníku a příslušných regulačních prvků – viz schéma na obr. 3. Tento způsob umožňuje provozovat tepelné čerpadlo monoenergeticky – pouze na elektrickou energii a v případě potřeby je možné bezproblémově spustit plynový kondenzační kotel a přejít na plynový zdroj včetně přípravy TV v pohotovostním zásobníku.

Obr. 3 Principiální schéma zapojení TČ s plynovým kondenzačním kotlem prostřednictvím akumulačního bivalentního zásobníku
Uvedená problematika hybridních systémů v RD se bude dále do budoucna vyvíjet především ve zvýšené integraci s dalšími technologiemi, jako jsou chytré regulace a moderní řídicí systémy, které budou umět optimalizovat provoz hybridních systémů. Integrace s fotovoltaikou, která může ekonomiku provozu TČ významně vylepšit a propojení hybridních systémů vytápění s řízeným větráním a rekuperací. Řada dodavatelů na trhu již zmíněné možnosti nabízí, jenom se potřebují dostat do většího povědomí a využívání.
Situace ve větších objektech (bytových domech, rezidenčních i komerčních prostorách)
Máme na mysli otopné soustavy v objektech s tepelnými ztrátami od 18 do cca 250 kW, neboť s nimi se ve své praxi nejvíce setkáváme a máme s jejich provozováním a navrhováním zkušenosti. Zde je situace na trhu odlišná, setkáváme se s projekty různé úrovně. Bylo by ale vhodné k návrhům přistupovat komplexněji s výhledem bezproblémového, nízkoemisního, spolehlivého a ekonomického provozu. Možností je mnoho a samozřejmě vždy bude záležet na mnoha individuálních aspektech.
Časté chyby opakující se v projektech a čemu je nutné věnovat větší pozornost
Nevhodně navržené výkony (kaskád) tepelných čerpadel a bivalentních zdrojů
Správně určený potřebný výkon TČ nebo jeho kaskády spolu s výkonem bivalentního zdroje zásadně určuje ekonomiku a spolehlivost provozu hybridní soustavy. Vždy by mělo hrát významnou roli, pro jaký objekt je soustava a návrh řešený. Jinak budeme přistupovat ke komerčnímu prostoru a jinak třeba k návrhu hybridní soustavy pro mateřskou školku. Není ideální, když se řeší například projekt nové školy, kde je perfektně navržená otopná soustava s 1 velkým TČ vzduch/voda s potřebným výkonem kolem 50 kW a k němu je doplněn elektrický bivalentní kotel s výkonem jenom 15 kW. Pokud se stane něco s TČ, tak budou muset novou školu v zimě zavřít, neboť servis tepelného čerpadla při poruše může být záležitost třeba i týdenní odstávky a bivalentní kotel malého výkonu provoz celé školy bohužel nezvládne. Je nutné k návrhům přistupovat i z pohledu, že se zdroje musí umět nejenom doplnit, ale i zastoupit. Kdyby byl návrh řešen jako kaskáda 2 TČ po zhruba polovičním výkonu celkové potřeby a k nim by se doplnila bivalence, která pokryje spíše cca 60–70 % celkové potřeby, tak se s tím dá nějak omezeně přežít, ale v takto navrženém příkladu to bohužel bude složitější.
Další obdobný případ: Výrobní a skladovací prostory s tepelnou ztrátou kolem 70 kW, malá provozovna zaměstnávající více než 60 lidí. Navrhnuto bylo opět 1 tepelné čerpadlo s výkonem 63 kW a 20 kW plynový kotel. Marně jsme se snažili přesvědčit investora, aby pro uvedený výkon a provoz umístil 2 TČ s polovičním výkonem do kaskády, aby se mohly v případě poruchy zastoupit. Aby se doplnil i větší výkon bivalence v podobě výkonnějšího plynového kondenzačního kotle. Rozhodovala cena, ale v případě výpadku tepelného čerpadla provozovnu s danou tepelnou potřebou navržený bivalentní kotel pak nezachrání.
Nejspíš asi až čas ukáže, že se k těmto zdrojům s TČ musíme chovat jako ke strojům, které mohou být poruchové a vyžadují určitý servis. Je rozdíl, když vypadne do poruchy malé TČ v rodinném domě, kde jsou 3–4 lidé, než když má poruchu třeba 50 kW TČ v bytovém domě nebo ve škole, kde je na něm závislá tepelná pohoda mnoha lidí. Pro navrhování kaskád TČ a hybridních systémů je nutné mít na zřeteli nejen tepelné ztráty a přesně spočítanou potřebu, ale i částečnou zastupitelnost zařízení mezi sebou. Pro výkony je doporučení zřejmé z grafu na obr. 4. V mnoha případech stačí 50% výkon druhého zdroje a máme cca 80 % potřeby tepla pokrytou, ale vždy je nutné uvážit typ objektu a účel jeho využívání. Pro nemocnice, bytové domy, školy, školky, pečovatelské domy, důležité provozovny, dílny apod. bychom určitě doporučili pracovat s větší zastupitelností zdrojů.
Nesprávně navrhovaná oběhová čerpadla s ohledem na požadované průtoky TČ
Velmi častý problém, který se pak při již napuštěné soustavě obvykle nepříjemně a nákladně opravuje. Při navrhování zdroje je nutné počítat s potřebnými průtoky otopné vody a vždy kontrolovat minimální průtoky příslušným tepelným čerpadlem (obvykle uvádí výrobce TČ). Pokud řešíme například kaskádu 3 TČ, tak se nám pak násobí i průtoky otopné vody a s ohledem na ně je nutné dimenzovat i příslušné sběrné potrubí a společné rozvody.
Vyskytujících se závad v projektech hybridních systémů s TČ větších výkonů je vícero. Abychom je co nejvíce eliminovali, je vhodné projekt vždy konzultovat s výrobcem TČ.
Závěr
Hybridní soustavy s tepelnými čerpadly se začínají v projektech více objevovat, reagují tak na změny na trhu v oblasti vytápění a přípravy TV. V příspěvku jsou uvedeny nejčastější způsoby řešení a některé zkušenosti s realizacemi. Upozorňuje na nutnost zvýšené pozornosti v návrzích zdrojů s TČ spolu s bivalentními zdroji v soustavách s většími výkony. Bivalentní zdroje v budovách, jako jsou např. pečovatelské domy, bytové domy, školy, je vhodné řešit k hlavním TČ nejen jako doplňující, ale i jako částečně zastupující.
Literatura
- Hodboď, J.: Tepelné čerpadlo 7 kW jako doplněk k plynovému kotli v domě s tepelnou ztrátou 14 kW. TZB info. [online]. 26.10.2025. Dostupné z: https://vytapeni.tzb-info.cz/tepelna-cerpadla/24101-tepelne-cerpadlo-7-kw-jako-doplnek-k-plynovemu-kotli-v-dome-s-tepelnou-ztratou-14-kw
- Firemní materiály firmy Bosch Termotechnika s.r.o. dostupné z: www.bosch-vytapeni.cz [Cit. 25.03.2025]
Z pohledu projekční praxe je vhodné upozornit na rozdíl mezi návrhem systému provedeným nezávislým odborníkem se zkušenostmi v oblasti tepelných čerpadel a návrhem realizovaným subjektem, jehož hlavní činností je dodávka samotného zařízení. V těchto případech se návrh soustavy může dostávat do pozadí ve prospěch minimalizace pořizovací ceny zařízení, aniž by se návrh dostatečně zabýval návazností zdroje na funkčnost a provozní chod spotřebitelské strany systému vytápění.
Dále bych rád připomněl širší kontext, proč se hybridní systémy vytápění začaly v posledních letech výrazně prosazovat. Zásadní roli zde sehrály změny legislativních požadavků, zejména v oblasti hodnocení budov z pohledu primární energie z neobnovitelných zdrojů. Tyto změny vedly k situacím, kdy řešení, která byla v jednom období zcela dostačující, již v následujících letech nevyhovovala zpřísněným kritériím. V praxi tak docházelo k doplňování dalších systémů TZB, jako jsou krbové vložky s teplovodními výměníky, fotovoltaické nebo vzduchotechnické systémy, a to často nezávisle na skutečných preferencích investora z hlediska komfortu, ale primárně za účelem splnění legislativních požadavků a dosažení vyhovující energetické klasifikace budovy.


![Obr. 4 Výkon zdroje s 50% pokrytím tepelných ztrát v závislosti na celoroční potřebě tepla [1]](/docu/clanky/0293/029377o8.png)