Aplikácia inovatívnych panelov s aktívnou tepelnou ochranou na fasádu budovy
Přehrát audio verzi
Aplikácia inovatívnych panelov s aktívnou tepelnou ochranou na fasádu budovy
00:00
00:00
1x
- 0.25x
- 0.5x
- 0.75x
- 1x
- 1.25x
- 1.5x
- 2x
V článku popisujeme realizáciu fasády s energeticky aktívnymi prvkami (aktívna tepelná ochrana) na budove. Táto budova je súčasťou Centrálnych laboratórií Slovenskej technickej univerzity v Bratislave. Metodika je rozdelená na opis fragmentu a objektu s aktívnou tepelnou ochranou, podrobný postup realizácie fasády, krátky opis schémy zapojenia a záver, v ktorom sú uvedené čiastkové výsledky a prvé odporúčania pre prax. Cieľom tejto štúdie je realizácia aktívnej tepelnej ochrany, parametrická štúdia a následné experimentálne merania na testovacom objekte. Cieľom realizácie fasády s ATO je preskúmať funkciu aktívnej tepelnej ochrany pri rôznych energetických funkciách.
1. Úvod
Energeticky aktívny prvok integrovaný v obvodovej stenovej konštrukcii je známy aj ako aktívna tepelná ochrana (ATO). Tento prvok môže plniť rôzne energetické funkcie, ako sú: tepelná bariéra, veľkoplošné sálavé nízkoteplotné vykurovanie, vysokoteplotné chladenie, akumulácia tepla/chladu, zachytávanie solárnej a okolitej energie, či rekuperácia tepla/chladu. Výber týchto funkcií závisí od konkrétneho typu konštrukcie. Napríklad konštrukcia s vysokou tepelnou vodivosťou je ideálna pre funkciu tepelnej bariéry, no pre vykurovanie a chladenie by nebola efektívna. Použitím aktívnej tepelnej ochrany je možné znížiť hrúbku tepelnej izolácie prostredníctvom riadeného prestupu tepla. Funkcia tepelnej bariéry závisí predovšetkým od teplôt medzi staticky zaťaženou nosnou vrstvou a tepelnoizolačnou vrstvou stavebnej konštrukcie. Túto teplotu vieme vypočítať manuálne a overiť pomocou počítačovej simulácie. Tento článok sa zameriava na konštrukciu, ktorá je vhodná na využitie ATO vo všetkých energetických funkciách [1–5].
Cieľom štúdie je implementácia aktívnej tepelnej ochrany, vykonanie parametrickej štúdie a následné experimentálne merania na testovacom objekte. Hlavným cieľom realizácie fasády s ATO je výskum fungovania aktívnej tepelnej ochrany v rôznych energetických funkciách. Tento výskum nadväzuje na predchádzajúce parametrické štúdie a počítačové simulácie. Vyhotovenie testovacej fasády bude slúžiť na ďalší výskum a na výučbové účely. Získané údaje z meraní budú porovnávané a overované v súlade s rôznymi počítačovými simuláciami a výpočtami [6].
2. Popis fragmentu a budovy v Centrálnych laboratóriách
V nasledovnej kapitole sa zameriavame na popis fragmentu obvodovej steny a budovy testovacieho objektu, ktorý sa nachádza v Bratislave, v Centrálnych laboratóriách STU na Trnávke. Na tomto objekte sú naplánované merania a ďalší výskum rôznych funkcií aktívnej tepelnej ochrany.
2.1 Popis fragmentu a parametrická štúdia
![Obr. 1 Fragment obvodovej steny [Autor] i – interiér (interiérová teplota θi = 20 °C), e – exteriér (exteriérová teplota θe = −11 °C)](/docu/clanky/0293/029394o2.png)
Obr. 1 Fragment obvodovej steny [Autor]
i – interiér (interiérová teplota θi = 20 °C), e – exteriér (exteriérová teplota θe = −11 °C)
Pôvodná obvodová stena je tvorená železobetónovými panelmi, ktoré sú omietnuté vápennocementovou omietkou. Na Obr. 1 je zobrazený Fragment obvodovej steny. Skladba konštrukcie je uvedená v Tab. 1.
| Č. | Názov materiálu | Hrúbka | Objemová hmotnosť | Súčiniteľ tepelnej vodivosti | Tepelný odpor |
|---|---|---|---|---|---|
| Symbol | d | ρ | λ | R | |
| Jednotka | m | kg/m3 | W/(m.K) | (m2.K)/W | |
| 1. | Vápennocementová omietka | 0,015 | 2000 | 0,990 | 0,015 |
| 2. | Železobetónový panel | 0,400 | 2400 | 1,580 | 0,253 |
| 3. | Vápennocementová omietka | 0,015 | 2000 | 0,990 | 0,015 |
| 4. | Systémová doska | 0,020 | 15,6 | 0,054 | 0,370 |
| 5. | Tepelná izolácia EPS | 0,030 | 30 | 0,033 | 0,909 |
| 6. | Lepiaca stierka | 0,0025 | 1300 | 0,800 | 0,003 |
| 7. | Tepelná izolácia EPS | 0,040 | 30 | 0,033 | 1,212 |
| 8. | Lepiaca stierka | 0,0025 | 1300 | 0,800 | 0,003 |
| 9. | Tepelná izolácia EPS | 0,030 | 30 | 0,033 | 0,909 |
| 10. | Systémová doska* | 0,020 | 15,6 | 0,054 | 0,370 |
| Tepelný odpor konštrukcie Rkonštrukcie | 3,690 | ||||
| Celkový tepelný odpor R100 = Rsi + Rkonštrukcie + Rse | 3,860 | ||||
| Celkový súčiniteľ prechodu tepla U100 = 1/ Rcelkové [W/(m2.K)] | 0,259 | ||||
| * Táto vrstva sa do tepelnotechnického posudku nezapočítava, kvôli styku so vzduchom (vrstva nie je uzavretá) | |||||
Táto konštrukcia s hrúbkou tepelnej izolácie 100 mm nevyhovuje normovým požiadavkám na tepelnotechnické parametre:
- normová hodnota tepelného odporu:
Rnorma = 4,40 (m2.K)/W > R100 = 3,690 (m2.K)/W, - normová hodnota súčiniteľa prechodu tepla:
Unorma = 0,220 W/(m2.K) < U100 = 0,259 W/(m2.K).
Aby konštrukcia spĺňala normové požiadavky, hrúbka tepelnej izolácie by mala byť 130 mm, s hodnotami
R130 = 4,769 (m2.K)/W a U130 = 0,210 W/(m2.K).
![Obr. 2 Priebeh teplôt vo fragmente a energetický potenciál ATO [Autor] i – interiér (interiérová teplota θi = 20 °C), e – exteriér (exteriérová teplota θe = −11 °C), θm – teplota v konštrukcii [°C], TI – tepelná izolácia, U – súčiniteľ prechodu tepla [W/(m².K)]](/docu/clanky/0293/029394o4.png)
Obr. 2 Priebeh teplôt vo fragmente a energetický potenciál ATO [Autor]
i – interiér (interiérová teplota θi = 20 °C), e – exteriér (exteriérová teplota θe = −11 °C), θm – teplota v konštrukcii [°C], TI – tepelná izolácia, U – súčiniteľ prechodu tepla
[W/(m2.K)]
V ďalšom kroku sme vyhotovili parametrickú štúdiu. Na Obr. 2 sú zobrazené priebehy teplôt v konštrukcii, energetický potenciál ATO a súčiniteľ prechodu tepla. Ako prvý je zobrazený stav základnej konštrukcie, ktorá je zateplená, ale ATO je vypnuté (oranžová farba). Teplota v tejto konštrukcii je 16,68 °C, čo zodpovedá hrúbke tepelnej izolácie 100 mm a súčiniteľ prechodu tepla U100 = 0,259 W/(m2.K). Tento stav slúži ako základ pre výpočet úspory energie (úspora 0 %). Ružovou farbou je zobrazený stav, kedy konštrukcia spĺňa normové požiadavky. Pri privedení teplonosnej látky s teplotou 18 °C do aktívnej tepelnej ochrany je ekvivalentná hrúbka tepelnej izolácie 190 mm, s hodnotou U190 = 0,152 W/(m2.K), čo znamená úsporu energie na úrovni 41 %. To znamená, že pri využití ATO s teplotou teplonosnej látky 18 °C ušetríme 190 mm − 100 mm = 90 mm hrúbky tepelnej izolácie. Konštrukcia a parametre sa správajú podobne aj pri privedení teplonosnej látky s inou teplotou teplonosnej látky do ATO. Pri teplote 20 °C v potrubiach ATO nastáva energeticky vyvážený stav, keď nedochádza k tepelným stratám z interiéru do exteriéru, čím energetický potenciál tepelnej bariéry dosahuje 100 %. Cirkuláciu teplonosnej látky v ATO zabezpečujú obehové čerpadlá. Elektrickú energiu pre ich pohon budú v budúcnosti poskytovať fotovoltické panely, ktoré budú inštalované na tejto fasáde a na streche, čím sa zvýši energetický potenciál celého systému.
2.2 Popis objektu v Centrálnych laboratóriách STU
Objekt sa nachádza v areáli Centrálnych laboratórií STU na Trnávke v Bratislave. V tomto areáli je viacero objektov, ktoré slúžia na výskumné možnosti rôznych odborov Svf STU. Budova pre naše výskumné účely na Trnávke je starší objekt, na ktorý sme aplikovali zateplenie s integrovanými energetickými prvkami, ako je zobrazené na Obr. 3. Obvodová stena je tvorená omietnutými železobetónovými panelmi s hrúbkou 400 mm. Strecha je plochá a pozostáva z panelov PZD s hrúbkou 240 mm, vyrovnávacieho poteru a asfaltových pásov. Podlaha je tvorená linoleom a betónom s hrúbkou 100 mm.
Z exteriérovej strany boli pripevnené vyhotovené tepelnoizolačné panely, Obr. 3A. Jeden takýto základný panel má rozmery 1400 × 800 mm, Obr. 3D. Popis vyhotovenia panelov je v Kapitole 3. Na tomto paneli sú upevnené potrubia ATO (vnútorný okruh) a na exteriérovej strane panelu sú potrubia, ktoré budú slúžiť ako pasívne chladenie v letnom období (vonkajší okruh). Panely sú umiestnené na juhozápadnej fasáde, Obr. 3B a Obr. 3C.
3. Proces vývoja a implementácie fasády s aktívnou tepelnou ochranou
V nasledovnej kapitole sa zameriavame na proces výroby panelov a ich následnú aplikáciu na fasádu objektu v areáli Centrálnych laboratórií STU na Trnávke. Práce na skladaní panelov sme začali v júli 2024. Panely sú vyrobené zo systémových dosiek Rehau Varionova 30-2, ktoré slúžia na uchytenie potrubí a integrujú tepelnú izoláciu EPS s hrúbkou 30 mm. Na tieto dosky sa naniesla lepiaca stierka hrúbky 0,5 mm (Obr. 4A) a následne sa prilepil tepelnoizolačný panel EPS hrúbky 40 mm (Obr. 4B). Potom sa opäť naniesla lepiaca stierka a na ňu sa prilepila druhá systémová doska Varionova 30-2 (Obr. 4C a 4D). Na Obr. 4E a 4F sú zobrazené hotové panely.
Nasledovalo osadenie potrubí z oboch strán panelu do systémových dosiek, ako je zobrazené na Obrázku 5. Kľúčové bolo, aby vnútorné a vonkajšie okruhy potrubí správne lícovali, pretože v opačnom prípade by nebolo možné bezpečne kotviť panely na obvodovú stenovú konštrukciu. Použité potrubia boli typu Rautherm S 17 × 2,0 mm. Osovú vzdialenosť potrubí sme nastavili na 150 mm, čo vychádzalo z predchádzajúcich parametrických štúdií a počítačových simulácií. Umiestnenie potrubí sme realizovali podľa výkresu, ktorý obsahoval podrobný postup pokladania panelov a presné umiestnenie potrubí, ako je znázornené na Obr. 3D. Potrubia boli následne upevnené páskami vo vzdialenosti po 200 mm.
Potom po inštalácii potrubí boli na panely nainštalované snímače teploty v počte 8 kusov. Pre vnútorný okruh bolo umiestnených štyri snímače (horný okruh medzi potrubiami, horný okruh na potrubí, dolný okruh medzi potrubiami a dolný okruh na potrubí). Podobne boli snímače umiestnené aj pre vonkajšie okruhy potrubí, ako je znázornené na Obr. 6.
Postupne boli panely pripevnené na juhozápadnú fasádu objektu. Na panely bolo na šiestich miestach aplikované PUR lepidlo, ako je zobrazené na Obr. 7A. Po nanesení lepidla sa panel prilepil na fasádu a následne bol ukotvený kotvami do tepelnej izolácie, ako je znázornené na Obrázku 7B. Každý panel bol ukotvený šiestimi kotvami tak, aby nedošlo k poškodeniu potrubí a snímačov. Panely sa ukladali od pravého spodného rohu fasády, aby sa zabezpečilo správne prekrývanie systémovej dosky krycou fóliou s výstupkami na dvoch stranách panelu, ako je zobrazené na Obr. 7C. Horný okruh panelov musel byť ešte pred umiestnením na fasádu spojený, keďže sa skladal z jeden a pol klasického panelu, ako je znázornené na Obr. 7D-1 a Obr. 7D-2. Na Obr. 8A až 8C je zobrazená kompletne zrealizovaná fasáda.
Ďalším krokom bolo zapojenie panelov do rozdeľovačov/zberačov a následné pripojenie celého systému na zdroj tepla/chladu. Panely ATO museli byť zapojené do systému Tichelmann, ako je zobrazené na Obr. 8C. Tento systém pozostáva zo štyroch okruhov:
- horný rad panelov, vnútorný okruh ATO,
- horný rad panelov, vonkajší okruh na chladenie/predohrev teplej vody,
- dolný rad panelov, vnútorný okruh ATO,
- dolný rad panelov, vonkajší okruh na chladenie/predohrev teplej vody.
Okruhy sú pripojené k dvom rozdeľovačom/zberačom (pre vykurovanie a chladenie), ako je zobrazené na Obr. 8D. Zdroj tepla a chladu je monoblokové tepelné čerpadlo a časom sa budú inštalovať aj fotovoltické panely.
4. Návrh prevádzky fasády s aktívnou tepelnou ochranou
Na obvodovej stene uložený vnútorný okruh ATO medzi nosnou a tepelnoizolačnou vrstvou konštrukcie, ktorý bude plniť funkcie vykurovania, chladenia a tepelnej bariéry. Vonkajší okruh potrubí bude aktívny len v letnom období, kedy bude slúžiť ako pasívne chladenie alebo na predohrev teplej vody.
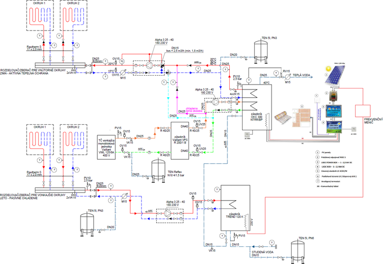
Na Obr. 9 je schéma zapojenia prevádzky celého systému. Ako zdroj tepla/chladu je použité monoblokové tepelné čerpadlo Vaillant. Na streche budú umiestnené fotovoltické panely na predohrev teplej vody. Plánované je umiestniť fotovoltické fólie na fasádu, kde sú umiestnené energeticky aktívne prvky ATO. Tieto fólie by boli prefabrikované v plechoch a upevnené latovaním na fasádu s ATO. Inštalované sú dva rozdeľovače/zberače s dvomi zapojenými okruhmi. Prvý rozdeľovač/zberač je pre vnútorný okruh potrubí, ktorý je pre ATO (vykurovanie, chladenie). Druhý rozdeľovač/zberač je pre vonkajšie okruhy potrubí (pasívne chladenie v letnom období). Potrubia hlavných rozvodov sú použité Inox potrubie 28 × 1,2 mm z nerezovej ocele. Potrubia v okruhoch ATO a pasívneho chladenia sú použité PE-Xa Rautherm S 17 × 2,0 mm.
Pre zimné obdobie je zdrojom tepla monoblokové tepelné čerpadlo, ktoré akumuluje teplo do 200 l akumulačného zásobníka typu Vaillant VPS R 200/B. Z akumulačného zásobníka je pomocou čerpadla poháňaná voda do nepriamovýhrevného 300 l zásobníkového ohrievača OKC 300 NTRR/BP. Do tohto zásobníkového ohrievača budú napojené aj strešné fotovoltické panely, ktoré v zimnom období slúžia na predohrev teplej vody. Cez frekvenčný menič budú napojené stenové fotovoltické fólie, ktoré taktiež budú predohrievať teplú vodu. Tie budú zapojené na 120 l zásobníkový ohrievač TREND 120 K, v ktorom bude predohriata teplá voda zo stenových fotovoltických panelov. Následne bude vedená do hlavného zásobníkového ohrievača OKC 300 l. Z tohto zásobníkového ohrievača bude zabezpečený odber teplej vody.
Zo zásobníkového ohrievača OKC 300 l bude vykurovacia voda vedená pomocou čerpadla do rozdeľovača/zberača aktívnej tepelnej ochrany. Teplotu vykurovacej vody si budeme vedieť nastavovať. Na vratné potrubie bude nainštalovaný merač spotreby. V celom vykurovacom okruhu a v hlavných rozvodoch bude umiestnených viacero teplomerov, aby sme mohli sledovať teploty v systéme a následne vyhodnocovať prevádzku.
5. Záver
Fasádu sme začali realizovať v lete 2024, pričom počas niektorých dní dosahovala vonkajšia teplota až 35 °C a na priamom slnku to bolo takmer 40 °C. Fasáda s ATO je orientovaná na juhozápad. Po aplikácii panelov ATO na fasádu sme si všimli, že čierna farba systémovej dosky nie je ideálna. Oveľa vhodnejšia by bola svetlá farba, ktorá by menej akumulovala slnečné žiarenie. V prvej fáze realizácie by bolo tiež vhodné fasádu zakryť aspoň geotextíliou, aby sa predišlo nadmernej tepelnej rozťažnosti potrubí, čo by mohlo viesť k ich poškodeniu. V extrémnych prípadoch by vysoké teploty na priamom slnku mohli spôsobiť prasknutie potrubí. V súčasnosti sa realizuje meranie a regulácia systému a prebiehajú xperimentálne merania. Experimentálne merania sa realizujú už od januára 2025. Tieto experimentálne budeme vyhodnocovať a následne porovnávať parametrickými štúdiami a počítačovými simuláciami [1–6].
Vo fáze realizácie fasády s aktívnou tepelnou ochranou sa prejavujú nasledujúce aspekty:
- aplikáciou aktívnej tepelnej ochrany vieme na tejto fasáde eliminovať hrúbku tepelnej izolácie až o 360 mm (pri teplote ATO 19 °C), čím ušetríme náklady na tepelnú izoláciu,
- aby sme dosiahli normovú požiadavku na súčiniteľ prechodu tepla, hrúbku telenej izolácie vieme eliminovať o 30 mm (pri teplote ATO 17,31 °C),
- aplikáciou ATO získame úsporu energie vzhľadom na skladbu konštrukcie vonkajšej steny,
- teplota v konštrukcií rastie v závislosti od narastajúcej hrúbky tepelnej izolácie,
- súčiniteľ prechodu tepla v konštrukcii sa znižuje v závislosti od narastajúcej hrúbky tepelnej izolácie,
- aktívna tepelná ochrana pri teplote teplonosnej látky 18 °C je postačujúca, ak je teplota vnútorného okolitého vzduchu (θi = 20 °C) a θe je teplota vonkajšieho okolitého vzduchu (θi = −11 °C). Táto teplota teplonosnej látky je ekvivalentom 190 mm telenej izolácie,
- vonkajší okruh potrubí bude aktívny v letnom období a bude slúžiť ako pasívne chladenie, resp. na predohrev teplej vody.
Tento výskum predstavuje významný potenciál. Okrem plánovaných experimentálnych meraní bude takéto laboratórium poskytne príležitosť na vzdelávanie študentov je vhodné aj pre ďalšie výskumy, ktoré rozšíria výskum.
Poďakovanie
Táto práca bola podporovaná Ministerstvom školstva, vedy, výskumu a športu SR prostredníctvom grantu VEGA 1/0118/23 a VEGA 1/0229/21.
Literatúra
- Mučková, V., Kalús, D., Koudelková, D., Kurčová, M., Straková, Z., Sokol, M., Ingeli R., Šťastný P. & Janík, P. (2023). Contribution to Active Thermal Protection Research—Part 1 Analysis of Energy Functions by Parametric Study. Energies, 16(11), 4391.
- Mučková, V., Kalús, D., Koudelková, D., Kurčová, M., Straková, Z., Sokol, M., Ingeli R. & Šťastný, P. (2023). Analysis of the Dynamic Thermal Barrier in Building Envelopes. Coatings, 13(3), 648.
- Kalús, D., Koudelková, D., Mučková, V., Sokol, M., & Kurčová, M. (2022). Contribution to the Research and Development of Innovative Building Components with Embedded Energy-Active Elements. Coatings, 12(7), 1021.
- Krzaczek, M., Kowalczuk, Z. Thermal Barrier as a technique of indirect heating and cooling for residential buildings. In An International Journal Devoted to Investigations of Energy Use and Efficiency in Buildings-Energy and Buildings; Elsevier: Amsterdam, The Netherlands, 2011; Volume 43, pp. 823-837.
- Yang, Y., Chen, S., Zhang, J., Zhang, Z., Li, S., Chen, K., & Xiao, X. (2024, September). Thermal performances and invisible thermal barrier formation mechanism of arc-shaped metal-fin-enhanced thermally activated building envelopes with directional heat charging feature. In Building Simulation (Vol. 17, No. 9, pp. 1461-1489). Tsinghua University Press.
- Muhič, S., Čikić, A., & Perić, M. (2024, June). Building with an Active Thermal Protection in Combination with High Share of Renewable Energy Sources Use. In 2024 9th International Conference on Smart and Sustainable Technologies (SpliTech) (pp. 1-4). IEEE.
![Obr. 3 Fasáda s panelmi ATO [Autor]](/docu/clanky/0293/029394o6.png)
![Obr. 4 Vyhotovenie panelov [Autor]](/docu/clanky/0293/029394o8.png)
![Obr. 5 Inštalácia potrubí [Autor]](/docu/clanky/0293/029394o10.png)
![Obr. 6 Inštalácia snímačov teplôt [Autor] a) na potrubie, b) medzi potrubiami](/docu/clanky/0293/029394o12.png)
![Obr. 7 Umiestnenie panelov ATO na fasádu objektu [Autor]](/docu/clanky/0293/029394o14.png)
![Obr. 8 Finalizácia fasády s ATO [Autor]](/docu/clanky/0293/029394o16.png)
![Obr. 9 Schéma zapojenia prevádzky fasády s ATO [Autor]](/docu/clanky/0293/029394o18.png)
